Dane techniczne - drzwi wewnętrzne
Drzwi wewnętrzne przylgowe z ościeżnicą dwustronnie regulowaną
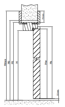
grubość 42 mm, przekrój pionowy i poziomy


Szerokość skrzydła
S
Ss
So
S1
Smax
H
Hs
Ho
H1
Hmax
Hw
"70"
700
748
830
800
940
2015
2034
2080
2065
2135
2020
"80"
800
848
930
900
1040
2015
2034
2080
2065
2135
2020
"90"
900
948
1030
1000
1140
2015
2034
2080
2065
2135
2020
"100"
1000
1048
1030
1100
1240
2015
2034
2080
2065
2135
2020
Drzwi wewnętrzne bezprzylgowe z ościeżnicą jednostronnie regulowaną
grubość 42 mm, przekrój pionowy i poziomy


Szerokość skrzydła
S
Ss
So
S1
Smax
H
Hs
Ho
H1
Hmax
"70"
726
748
836
796
912
2030
2034
2080
2065
2127
"80"
826
848
936
896
1012
2030
2034
2080
2065
2127
"90"
926
948
1036
996
1112
2030
2034
2080
2065
2127
"100"
1026
1048
1136
1096
1212
2030
2034
2080
2065
2127
Drzwi klatkowe z ościeżnicą stałą
grubość 55 mm, przekrój pionowy i poziomy

Szerokość skrzydła
S
Ss
So
S1
Sw
H
Hs
Ho
H1
Hw
"90"
900
949
1020
1000
920
2005
2040
2095
2075
2012
- S - szerokość ościeżnicy w świetle [mm]
- Sw - szerokość skrzydła we wręgu [mm]
- Ho - wysokośc otworu w ścianie [mm]
- Ss - szerokość skrzydła [mm]
- Smax - szerokość całkowita drzwi z opaskami [mm]
- H1 - całkowita wysokość ościeżnicy [mm]
- So - szerokość otworu w ścianie [mm]
- H - wysokość w świetle ościeżnicy [mm]
- Hw - wysokość skrzydła we wręgu [mm]
- S1 - całkowita szerokość ościeżnicy [mm]
- Hs - wysokość skrzydła [mm]
- Hmax - wysokość całkowita drzwi z opaskami [mm]
Okna
Sprawdź
Zaprojektuj swoje drzwi
Konfigurator online



